Description
Double Pointed Arc Type
Double Pointed Arc Type pins are normally welded with an Arc or Drawn Arc Stud Welding machine. It will also come with a ceramic ferrule, a component of the pin for arc welding.
Like other weld pins, insulation is impaled over the welded pin and secured with a Self-Locking Washer.
When arc welding, the pins can be welded to rough or contaminated surfaces, without preparation. Double Pointed pins can be welded with the AGM Model PA-15 CD Welder, but only to clean surfaces.
Metal must be at least 1/16” thick to CD weld.
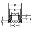
| SPECIFICATIONS | ||
|---|---|---|
| D | LENGTH | FERR. |
| 10GA .135 | AS REQUIRED | DP-10 |
| NO | A | B | C | D | E | G | H |
|---|---|---|---|---|---|---|---|
| DP-10 | .154 | .281 | .190 | .375 | .156 | .065 | .390 |
Not What You’re Looking For?
To view more of our insulation pins click here.
Have Questions?
For more information on this product, call our office at 800-252-1919 or email us at Info@studweldprod.com and we will get back to you shortly!
Follow Us on Social Media!
Your #1 Stud! on Instagram and Facebook. Also, check out our YouTube channel here.







Reviews
There are no reviews yet.